Простой антенный усилитель

Чем больше я познаю современную элементную базу, тем больше удивляюсь тому, как просто сейчас делать такие электронные устройства, о которых раньше можно было только мечтать. К примеру, антенный усилитель, о котором пойдет речь, имеет рабочий диапазон частот от 50 МГц до 4000 МГц. Да, почти 4 ГГц! Во времена моей молодости о таком можно было просто мечтать, а сейчас такой усилитель на одной крохотной микросхеме может собрать даже начинающий радиолюбитель. Причем не имеющий опыта работы со сверх высокочастотной схемотехникой.
Представленный ниже антенный усилитель необычайно прост в изготовлении. Имеет хороший коэффициент усиления, низкий уровень шума и низкий ток потребления. Плюс очень широкий диапазон работы. Да, ещё и миниатюрный размер, благодаря которому его можно встроить куда угодно.
Где можно применить универсальный антенный усилитель?
Да практически где угодно в широком диапазоне 50МГц – 4000МГц.
- Как усилитель сигналов телевизионной антенны для приема как цифровых, так и аналоговых каналов.
- Как антенный усилитель для FM приемника.
- др.
Это что касается бытового использования, а в радиолюбительской сфере применения гораздо больше.
Характеристики антенного усилителя
Рабочий диапазон: 50 МГц – 4000 МГц.
Усиление: 22,8 дБ - 144 МГц, 20,5 дБ - 432 МГц, 12,1 дБ - 1296 МГц.
Коэффициент шума: 0,6 дБ - 144 МГц, 0,65 дБ - 432 МГц, 0,8 дБ - 1296 МГц.
Ток потребления порядка 25 мА.
Более подробные характеристики можно посмотреть в даташит SPF5043Z.
Малошумящий усилитель отлично себя зарекомендовал. Низкий ток потребления вполне себя оправдывает.
Так же микросхема отлично выдерживает высокочастотные перегрузки без потери характеристик.
Изготовление антенного усилителя
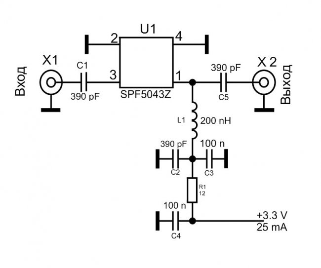
Схема

Простой универсальный антенный усилитель
В схеме используется микросхема фирмы RFMD SPF5043Z, которую можно купить на - АлиЭкспресс.
По сути вся схема — это микросхема усилитель и фильтр для ее питания.
Плата усилителя

Плату можно сделать из фольгированного текстолита, даже без травления, как это сделал я.
Берем двух сторонний фольгированный текстолит и выпиливаем прямоугольник размером примерно 15х20 мм.
Затем, перманентным маркером рисуем по линейке разводку.
А дальше хотите травите, а хотите вырезайте дорожки механически.
Далее все залуживаем паяльником и припаиваем SMD элементы типоразмера 0603. Нижнюю сторону платы фольги замыкаем на общий провод, тем самым экранируем подложку.
Настройка и испытание
Настойка не требуется, можно конечно замерить входное напряжение, которое должно быть в пределах 3,3 В и потребляемый ток примерно равен 25 мА. Так же если вы работаете в диапазоне выше 1 ГГц, то возможно, потребуется согласовать входной контур, уменьшением конденсатора до 9 пФ.
Подключаем плату к антенне. Проверка показала хорошее усиление и низкий уровень шума.
Простой универсальный антенный усилитель
Будет очень хорошо, если разместить плату в экранированном корпусе, типа такого.
Простой универсальный антенный усилитель
Плату уже готового усилителя можно купить на АлиЭкспрес, но стоит она же в разы дороже, чем микросхема отдельно. Так что лучше заморочиться как мне кажется.
Простой универсальный антенный усилитель
Дополнение схемы

Для питание схемы требуется напряжение 3,3 В. Это не совсем удобно, к примеру, если использовать усилитель в автомобиле с напряжением бортовой сети 12 В.
Простой универсальный антенный усилитель
Для этих целей можно ввести в схему стабилизатор.
Подключение усилителя к антенне
По расположению, усилитель следует располагать в непосредственной близости у антенны.
Для защиты от статики и гроз желательно, чтобы антенна была бы замкнута по постоянному току, то есть нужно использовать петлевой или рамочный вибратор. Антенна типа «Биквадрат» будет отличным вариантом.
Смотрите видео испытания простого усилителя для антенны
Источник: https://sdelaysam-svoimirukami.ru/3985-prostoy-universalnyy-antennyy-usilitel.html


