Новогодняя звезда на микроконтроллере.

Как гласит поговорка, готовь сани летом. Вот я и решил сейчас поделиться своей поделкой к новому году. Это новогодняя звезда с микроконтроллерным управлением. У меня уже давно есть елочная гирлянда с микроконтроллерным управлением массовой китайской сборки. Красиво мигает глаз радуется. А вот звезда банально светиться и все. Ну некоторые экземпляры представленные на рынке мигают, но ничего подобного микроконтроллерным гирляндам нету, а именно эффектов плавного зажигания, плавного перехода с одного цвета на другой и т. п. Я решил исправить эту ситуация по крайней мере на своей ёлке.
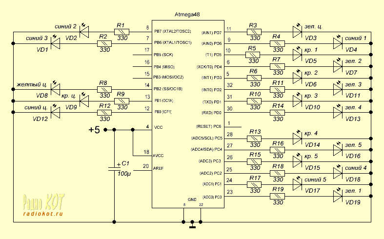
За основу взят МК mega48 как самый дешевый и много выводной. Можно также использовать mega88.

Схема проста до безобразия. После цвета светодиода стоит его номер. Нумерация для каждого цвета своя. Нумерация начинается с верхнего светодиода по часовой стрелке. Центральные светодиоды обозначаются буквой ц.

Светодиоды я использовал от светодиодной гирлянды, у них широкий угол свечения (примерно 270), правда они не такие яркие как сверхяркие светодиоды продающиеся в магазинах. Для облегчения разводки я использовал двухсторонний текстолит одна сторона которого использовалась как земля.

Как показала практика расположение светодиодов в 3 ряда (центр звезды, середина лучей и концы лучей) неудачное, лучше расположить в два ряда - центр и на концах лучей по три светодиода. В этом случае светодиоды смещаются ближе к центру, т.к. иначе просто не войдут в корпус. К тому же вырезать треугольник из середины луча весьма затруднительно.
Скачать прошивку и печатную плату
В качестве корпуса использована китайская малая звезда в прозрачном корпусе. Кроме корпуса нам от неё ничего не понадобиться. В качестве блока питания используется USB зарядник для MP3 плееров он дает стабилизированные 5В (по крайней мере мой). Вообще можно использовать любой блок питания на нестабилизированных 3-4.5В или стабилизированных. 3-5В. Рассчитанных на ток не менее 200мА. Главное чтобы напряжение холостого хода не превышало 5.8В поскольку для контроллера предел 6В. Усиливающие транзисторы не применялись поскольку места в корпусе было мало а транзисторов в smd исполнении под рукой не было. Программа имеет множество режимов которые переключаются по циклу. Это и плавное погасание всей звезды, и плавный переход с одного цвета на другой и псевдо случайное мигание, и еще много чего. На протяжении цикла некоторые режимы повторяются с разной скоростью.
© Ссылка на источник http://radiokot.ru/circuit/light/run/36/


