НОВОГОДНИЕ "МИГАЛКИ" ...

Традиционно, в конце каждого года у большинства радиолюбителей увеличивается интерес к самым разнообразным переключающим устройствам, — не удивительно, ведь скоро Новый Год, а это елки, гирлянды и всевозможные "мигалки".
Рассмотренные в этой статье "мигалки" объединят то, что все они построены на микросхемах КМОП и МОП, все питаются от бестрансформаторных сетевых источников, и все рассчитаны на управление обычными елочными гирляндами, составленными из последовательно включенных миниатюрных лампочек, каждая из которых на напряжение 12-26 8. Обычно такие гирлянды служат украшением "домашних" елок. В описываемых схемах на гирлянды подается пульсирующее
напряжение 180 В, полученное в результате выпрямления сетевого напряжения 220 В одноолупериодным выпрямителем, поэтому, можно использовать готовые гирлянды на 220В, но их яркость будет немного ниже, чем при непосредственном включении в электросеть. Чтобы увеличить яркость до нормы нужно
уменьшить число последовательно включенных лампочек, в каждой гирлянде, на 15-20%. Общая мощность каждой гирлянды не должна быть больше 30 Вт. Если, например, используются лампочки на 13,5 В х 0,15 А, то гирлянда должна содержать 12-13 таких лампочек, включенных последовательно.
... НА ДВЕ ГИРЛЯНДЫ.
Первое устройство наиболее простое (рисунок 1), подходит для маленькой настольной елки с парой гирлянд. Устройство доступно для повторения даже начинающему радиолюбителю (если он в курсе техники безопасности при работе с электроустановками, питающимися непосредственно от электросети).
В основе схемы лежит мультивибратор на микросхеме D1. Он вырабатывает импульсы небольшой частоты, которую можно регулировать в пределах, примерно, 3...0,5 Гц, при помощи переменного резистора R2. Сам мультивибратор выполнен на элементах D1.1 и
D1.2 по типовой схеме. Как известно, такой мультивибратор имеет два выхода, импульсы можно снимать и с выхода D1.1 и с выхода D2.2, но они будут в противофазе, то есть, когда на одном выходе ноль, на другом будет единица, и наоборот.
Сигналы с этих выходов поступают на два т инвертирующих усилителя мощности на элементах D1.3 и D1.4, а с них, противофазные сигналы поступают на управляющие электроды тиристоров VD1 и VD2, в анодных цепях которых включены гирлянды Н1 и Н2 В результате, эти гирлянды поочередно переключаются. А частота переключения устанавливается переменным резистором R2.
Питаются гирлянды от пульсирующим током однополупериодного выпрямителя на VD5.
Микросхема питается от бестрансформаторного источника. Переменное напряжение от сети поступает через сопротивление, состоя-щее из реактивного сопротивления конденсатора СЗ и активного R5 на выпрямитель на стабилитроне VD3 и VD4. Стабилитрон, совместно с СЗ
диоде и R5
образует параметрический стабилизатор, и на конденсаторе С4 выделяется постоянное напряжение, равное по величине напряжению стабилизации стабили-трона (12 В).
При подборе деталей нужно учитывать, что конденсатор СЗ должен быть на напряжение не ниже 300В,С4-не ниже 10В.
Стабилитрон можно взять любой маломощный на 8-14 В.
Собрать "мигалку" можно объемным способом в "мыльнице", или на печатной плате, схема которой показана на рис. 2.
Налаживание заключается в подборе сопротивления R1, так чтобы скорость переключения гир- ‘ лянд регулировалась в желаемых пределах.

... НА ЧЕТЫРЕ ГИРЛЯНДЫ.
Более эффектный переключатель, на четыре гирлянды, можно на микросхеме К176ИЕ12 (рисунок 3). Эта микросхема, помимо многих других узлов, содержит мультивибратор и счетчик-делитель на 256 с дешифратором на четыре выхода. В типовой схеме он должен переключать разряды цифрового табло с частотой 256 Гц, при динамической индикации. Но если мультивибратор перестроить на более
низкую частоту, например на 300 Гц, то частота переключения выходов Т1-Т4 будет 1,2 Гц, и сигналы с них можно будет подавать на управляющие входы тиристоров.
Эффект получается такой — последовательное переключение четырех гирлянд по кругу.
При соответствующем расположении гирлянд можно получить эффект бегущего огня.
Частота мультивибратора в 256 раз больше частоты переключения. Она задается RC-цепью, состоящей из суммарного сопротивления R1 + R2 и емкости С1. Изменять частоту, а значит и скорость переключения, можно переменным резистором R2. На выходах Т1, Т2, ТЗ и ТЗ микросхемы получаются сигналы, сдвинутые по фазе относительно друг друга на четверть периода, что и требуется для последовательного переключения четырех гирлянд. Сигналы с этих выходов поступают на управляющие электроды тиристоров VD1-VD4,
в анодных цепях которых включены гирлянды Н1-Н4.
Система питания такая же как и в схеме на рисунке 1.Гирлянды питаются однополупериод-ным напряжением. А напряжение питания микросхемы устанавливается стабилитроном VD5, который должен быть на 8-10 В (Д814А, Д814Б, Д814Г).
Конденсатор СЗ должен быть на напряжение не ниже 300 В, С2 — не ниже 10 В.
Собрать устройство можно объемным монтажом или на печатной плате, схема которой показана на рисунке 4.

...НА ЧЕТЫРЕ ГИРЛЯНДЫ, С ЭФФЕКТОМ НАКАТА ВОЛНЫ.
Это устройство более сложное, оно дает эффект последовательного зажигания всех четырех гирлянд, в одном направлении, а затем последовательное гашение в обратном направлении. Например, если расположить гирлянды последовательно в разных ярусах елки, то получится такой эффект : сначала зажигается нижняя гирлянда, и остается гореть, потом вторая снизу (теперь горят уже две), затем третья (горят три) и четвертая (горят четыре). Потом, сначала гаснет верхняя (четвертая), затем третья, затем вторая, и в конце концов, гаснет нижняя.
После, все повторяется. Получается, как будто-бы, на елку, снизу вверх накатывается светящаяся волна, а затем она спадает вниз.
Принципиальная схема показана на рисунке 5. В её основе лежит микросхема D5, содержащая четыре RS-триггера, которая управляется при помощи двух счетчиков с десятичными выходами — D3 и D4.
Счетчики включены последовательно. Например, сначала работает D3, считая от нуля до пяти, затем досчитав до пяти, он устанавливается в нулевое положение и больше не
считает. В это время начинает работу счетчик D4, он тоже считает от нуля до пяти, и устанавливается в нулевое положение. При этом он прекращает работу, но снова начинает работать D3. И так повторяется все время.
Выходы счетчиков подключены к входам триггеров таким образом, чтобы счетчик D3 устанавливал последовательно триггеры в единичное состояние, начиная с верхнего (по схеме), а счетчик D4 — в нулевое, начиная с нижнего (по схеме).
Импульсы, поступающие на входы счетчиков, вырабатывает мультивибратор на микросхеме D1. Их частоту, а значит и скорость "наката светящихся волн", можно устанавливать при помощи переменного резистора R1.
Включение и выключение счетчиков произво-
дится при помощи двух элементов D2.1 и D2.2. При этом, при подаче логического нуля на вывод 1 D2.1 считает D3, а при подаче нуля на вывод 12 D2.2 считает D4. Управляет этими элементами RS-триггер на элементах D2.3 и D2.4. Происходит это следующим образом. Как только счетчик D3 досчитает до пяти, на его выводе 1 появляется единица. Она сначала поступает на вывод 5 D2.3 и переключает триггер на D2.3 и D2.4 в противоположное состояние. При этом нуль на выводе 4 D2.3 открывает элемент D2.2 и вступает в работу счетчик D4. И, в то же время, единица с вывода 10 D2.4 закрывает элемент D2.1 и выключает счетчик D3. Потом единица с вывода 1 D3 через линию задержки R3C2 поступает на вход "R" D3, и переводит счетчик в нулевое состояние. При этом на всех, задействованных в схеме, выходах D3 устанавливаются логические нули. Теперь считать будет D4, и как только он досчитает до до пяти, единица с его вывода 1 поступит на триггер на D2.3 и D2.4, и переведет триггер в исходное состояние. D3 включится, a D4 выключится и установится в нулевое состояние. Затем процесс повторится.
На выходах триггеров D5 включены тиристоры, которые включают гирлянды. Система питания гирлянд и микросхем такая же как и в двух предыдущих схемах.
Настройка заключается в установке нужных пределов регулировки частоты переключения гирлянд подбором номинала R2.
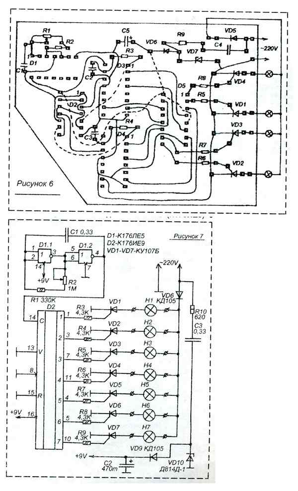
Устройство смонтировано на печатной плате, схема которой показана на рисунке 6. Вид с стороны паек выводов деталей. Печатные проводники расположены с обеих сторон платы, те что со стороны деталей показаны прерывистой линией.

... НА СЕМЬ ГИРЛЯНД, С ЭФФЕКТОМ БЕГУЩЕГО ОГНЯ.
Алгоритм работы этого переключателя таков последовательно переключаются семь гирлянд, затем следует пауза длительностью как время горения одной гирлянды, затем снова последовательное переключение семи гирлянд. Переключение только в одну сторону.
Устройство очень простое, без каких-либо "логических хитростей", схема показана на рисунке 7. Мультивибратор на элементах D1.1 и D1.2 вырабатывает импульсы, частоту которых в пределах 2,.0,5 Гц можно регулировать переменным резистором R2. Эти импульсы поступают на вход счетчика D2 (К176ИЕ9) с
семиразрядным десятичным дешифратором на выходе. Счетчик считает от нуля до семи. В процессе счета, единицы последовательно появляются на его выходах, начиная с верхнего (вывод 1) и заканчивая нижним (вывод 10). Эти единицы поочередно переключают тиристоры VD1-VD7, в анодных цепях которых включены гирлянды Н1-Н7.
Расположив гирлянды горизонтальными кольцами на разных ярусах елки, и подключив их к этому устройству соответствующим порядком, можно получить эффект перемещающихся снизу вверх светящихся колец, либо перемещающихся сверху вниз светящихся копец (в зависимости от порядка подключения).
Система питания и гирлянды такие же как во всех предыдущих схемах. Если используется микросхемы К176 стабилитрон VD10 должен быть на напряжение 8.. 10В, если используются микросхемы К561 — на 8...14 В.
Налаживание заключается в установке желаемого диапазона регулировки скорости переключения гирлянд подбором сопротивления резистора R1.

... НА СЕМЬ ГИРЛЯНД, С ХАОТИЧЕСКИМ ЭФФЕКТОМ.
Схема этого устройства (рисунок 8) очень похожа на схему предыдущего (рисунок 7). Разница в том, что вместо десятичного счетчика К176ИЕ9 используется счетчик с выходом на семисегментный индикатор — К176ИЕ4. Поэтому гирлянды будут переключаться по закону переключения сегментов семисегментного цифрового индикатора. Внешне, это может напоминать хаотическое переключение, поскольку постоянно будет меняться число включенных одновременно гирлянд.
В остальном, схема аналогична предыдущей.

... НА ВОСЕМЬ ГИРЛЯНД, С ЭФФЕКТОМ "БЕГУЩАЯ ТЕНЬ" / "БЕГУЩИЙ ОГОНЬ".
Переключатель управляет восемью гирляндами. Сначала гирлянды последовательно переключаются, что создает эффект бегущего огня, затем гирлянды зажигаются все, кроме одной. Далее гирлянды поочередно выключаются и включаются. Создается эффект бегущей тени. И так, эти эффекты постоянно чередуются.
Чтобы получить такой эффект необходим управляемый инвертор, когда будет бегущий огонь инвертор должен не давать инверсии и работать как повторитель, когда — бегущая тень, инвертор должен инвертировать логические уровни. В данной схеме роль такого управляемого инвертора и, в тоже время, десятичного дешифратора, выполняет восьмипозиционный мультиплексор К561КП2 (рис. 9). Дело в том, что при включении микросхемы К561КП2 в качестве десятичного дешифратора, её выходами служат выходы каналов X, а активный уровень на этих выходах будет зависеть от того, какой уровень на входе Y. Потому, что мультиплексор, в отличии от дешифратора, будет переключать выходы X на вход Y. Если на Y будет единица, то активным уровнем выходов будут единицы, а если нуль — то активные нули (инверсия). Но дело в том, что выходные уровни К561КП2, в таком случае, будут меняться не между нулем и единицей, а между активным уровнем и высокоомным
состояние. Поэтому, нужен промежуточный каскад, который, в такой схеме, будет определять чем же, в данный момент, является высокоомное состояние, нулем или единицей. Роль таких промежуточных каскадов выполняют инверторы D1.3-D1.6 и D2.2-D2.5. На их входах подключены резисторы R3-R10, которые шунтируют их входы либо на отрицательную шину питания (когда активные уровни D4 единицы), либо на положительную (когда активные уровни D4 нули).
Работает схема следующим образом. Мультивибратор на элементах D1.1 и D1.2 вырабатывает импульсы частоту которых можно регулировать переменным резистором R2 в пределах З..Д5 Гц. Эти импульсы поступают на вход четырехразрядного двоичного счетчика D3. Предположим, в исходном состоянии счетчик обнулен. Тогда на его выводе 6 (равно как и на всех других выходах) будет ноль. Этот ноль поступает на вход Y (вывод 3) мультиплексора D4. В то же время, этот уровень инвертируется элементом D2.1, и на общую точку резисторов R3-R10 подается с его
выхода единица. Таким образом, мулити-плексор будет работать как дешифратор с активным нулем на выходе. Выходные нули D4 будут инвертироваться инверторами D1.3-D1.6, D2.2-D2.5.
Таким образом, пока счетчик D3 считает в диапазоне от "О" до "7", гирлянды будут воспроизводить эффект бегущего огня.
Досчитав до 7-и счетчик D3 перейдет в состояние "8", и на его выводе 6 появится логическая единица. Эта единица поступит на вход У мультиплексора D4 и на вход инвертора D2.1. В результате, активными выходными уровнями D4 станут логические единицы, которые будут инвертироваться инверторами D1.3-D1.6, D2.2-D2.5. И , пока счетчик будет считать от "8" до "15", гирлянды будут воспроизводить эффект бегущей тени.
Система питания и гирлянды не имеют существенных отличий от всех предыдущих схем, описанных в этой статье.
Павлов С.


